因為具有重量輕、節約材料、結構緊湊等特點,薄壁零件已日益廣泛地應用在各工業部門。但薄壁零件的加工是比較棘手的,原因是薄壁零件剛性差、強度弱,在加工中極容易變形,不易保證零件的加工質量。如何提高薄壁零件的加工精度將是業界越來越關心的話題。
薄壁零件的加工問題,一直是較難解決的。薄壁件目前一般采用數控車削的方式進行加工,為此要對工件的裝夾、刀具幾何參數、程序的編制等方面進行試驗,從而有效地克服了薄壁零件加工過程中出現的變形,保證加工精度。影響薄壁零件加工精度的因素有很多,但歸納直來主要有以下三個方面:


因工件壁薄,在夾緊力的作用下容易產生變形,從而影響工件的尺寸精度和形狀精度,如圖1所示。受熱變
因工件較薄,切削熱會引起工件熱變形,使工件尺寸難于控制。振動變形
在切削力(特別是徑向切削力)的作用下,很容易產生振動和變形,影響工件的尺寸精度、形狀、位置精度和表面粗糙度。
既然影響薄壁件加工精的因素找到了,那么我們將如何提高薄壁零件的加工精度呢?接下來筆者將通過具體實例來介紹提高薄壁件加工精度和效率的措施。
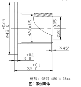
圖2所示的薄壁零件,是我校用數控車床對外加工產品中難度較大的零件。采用的設備是配備了廣州數控系統GSK980T的數控車床。為了提高產品的合格率,我們從工件的裝夾、刀具幾何參數、程序的編制等方面進行綜合考慮,實踐證明,有效提高了零件的精度,保證了產品的質量。
從零件圖樣要求及材料來看,加工此零件的難度主要有兩點:
因為是薄壁零件,螺紋部分厚度僅有4mm,材料為45號鋼,而且批量較大,既要考慮如何保證工件在加工時的定位精度,又要考慮裝夾方便、可靠。通常的車削都是用三爪卡盤夾持外圓或撐內孔的裝夾方法來加工,但此零件較薄,車削受力點與加緊力作用點相對較遠,而且還需車削M24螺紋,受力很大,剛性不足,容易引起晃動,因此要充分考慮如何裝夾定位的問題。 螺紋加工部分厚度只有4mm,而且精度要求較高。
目前廣州數控系統GSK980T螺紋編程指令有G32、G92、G76。G32是簡單螺紋切削,顯然不適合。G92螺紋切削循環采用直進式進刀方式,如圖3所示,刀具兩側刃同時切削工件,切削力較大,而且排削困難,在切削時兩切削刃容易磨損,在切削螺距較大的螺紋時,由于切削深度較大,刀刃磨損較快,從而造成螺紋中徑產生誤差,但由其加工的牙形精度較高。G76螺紋切削循環采用斜進式進刀方式,如圖4所示,單側刀刃切削工件,刀刃容易損傷和磨損,但加工的螺紋面不直,刀尖角發生變化,而造成牙形精度較差。

從以上對比可以看出,只簡單利用一個指令進行車削螺紋是不夠完善的,采用G92、G76混用進行編程,即先用G76進行螺紋粗加工,再用G92進精加工的方式在薄壁螺紋加工中將有兩大優點:一方面可以避免因切削量大而產生的薄壁變形;另一方面能夠保證螺紋加工的精度。
由于工件壁薄,剛性較差,如果采用常規方法裝夾,工件將會受到軸向切削力和熱變形的影響出現彎曲變形,很難達到技術要求。為解決此問題,我們設計出了一套適合上面零件的加工的專用夾具,如圖5所示。

其中,件1為夾具主體,材料為45號鋼,左端被夾持直徑為80mm,可用來夾持工件的內孔直徑范圍為20~30mm;件2為拉桿,材料為45號鋼,直徑為21mm,它剛好與薄片工件上的φ21孔對應配合,使工件在夾具中定位及傳遞切削力;件3為已加工完左端面和內孔的工件,裝夾時要注意工件與夾具體1的軸向夾緊配合。小溝槽是在工件調頭裝夾后,為方便控制總長度而設計的,尺寸為5mm×2mm。
加工步驟選定
裝夾毛坯15mm長,平端面至加工要求;
用f18鉆頭鉆通孔,粗、精加工f21通孔;
粗、精加工f48外圓,加工長度大于3mm至尺寸要求;
調頭,利用夾具如圖2所示裝夾,控制總長尺寸35mm平端面;
加工螺紋外圓尺寸至f23.805; 利用G76、G92混合編程進行螺紋加工; 拆卸工件,完成加工。
五、切削用量選擇
內孔粗車時,主軸轉速為500~600r/min,進給速度F100~F150,留精車余量0.2~0.3mm; 內孔精車時,主軸轉速為1100~1200 r/min,為取得較好的表面粗糙度選用較低的進給速度F30~F45,采用一次走刀加工完成; 外圓粗車時,主軸轉速為1100~1200 r/min,進給速度F100~F150,留精車余量0.3~0.5mm; 外圓精車時,主軸轉速為1100~1200 r/min,進給速度F30~F45,采用一次走刀加工完成。
內鏜孔刀采用機夾刀,縮短換刀時間,無需刃磨刀具,具有較好的剛性,能減少振動變形和防止產生振紋; 外圓粗、精車均選用硬質合金90°車刀; 螺紋刀選用機夾刀,標準刀尖角度,以便磨損時易于更換。
六、加工時的幾點注意事項
工件要夾緊,以防在車削時打滑飛出傷人和扎刀;
在車削時使用適當的冷卻液(如煤油),能減少受熱變形,使加工表面更好地達到要求;
要注意安全文明生產。