摘要:以異形零件聯接體為例,針對零件形狀和不同工序的加工特征制作專用夾具,利用數控車床和排狀刀夾的綜合優勢,把多道普車工序合并在一起加工,減少了安裝與找正的輔助時間,提高了產品質量和生產效率。
在外協加工中, 遇到了異形零件的加工難題,通過認真分析,確定了加工方案,加工出合格產品,滿足了用戶急需。
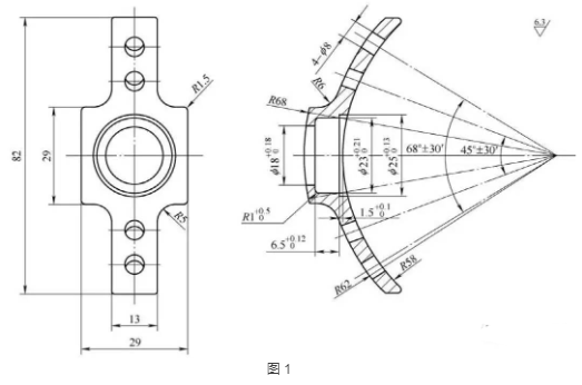
1. 零件結構和技術要求
零件結構如圖1所示。

零件成品的技術要求為:抗拉強度≥580N/mm2,端面收縮率≥35%,周邊與棱角全部制鈍,直徑25+0.130 mm,深度1.5+0.10 mm處保證是尖角, 刀尖圓角半徑<0.2mm。
2. 加工工藝性分析
零件聯接體加工存在以下技術難點:
(1)零件成品有機械性能要求,需采用合理的毛坯制造方式。
(2)此零件為異形零件,在批量加工中,如何通過夾具設計實現零件準確定位以及裝夾方便。
(3)零件加工尺寸較多,如何在批量加工中,保證產品質量。
3. 技術措施
針對以上加工難點,采取以下技術措施:
(1)零件聯接體采用45鋼模鍛加工成型,保證了零件外形尺寸和產品的機械性能。
( 2 ) 以模鍛外形尺寸29mm×29mm和R62mm為定位基準,設計夾具,保證零件定位夾緊可靠。
(3)為了保證批量加工時的零件質量,采用經濟型數控車床加工, 并設計專用的主軸夾具(見圖2)和刀具夾具體(見圖3),一個刀位同時裝夾兩把刀具,減少換刀動作造成的重復定位誤差,把零件的內孔尺寸全部加工好,節省了刀位轉換所需時間。
(4)為了保證4個φ 7mm孔的尺寸和位置要求,設計了專用鉗工用鉆孔夾具(見圖4),保證了產品質量。

圖2 數控車床用夾具

圖3 刀夾結構

圖4 鉗工用鉆φ 7mm孔夾具
4. 工藝方案
加工所采取的工藝方案如下:
(1)模鍛,保證零件的外形尺寸。
(2)普車,使用階臺型鉆頭(見圖5),保證內孔尺寸留精車余量1 mm。
(3)數控車,保證零件的內孔直徑和長度尺寸。
(4) 鉗工, 鉆4 個φ 7mm孔,保證位置尺寸。
(5)鉗工,去毛刺。

圖5 普通臥式車床鉆階臺孔夾具和鉆頭
5. 結語
異形零件的加工存在準確定位和夾緊的問題,為了降低加工難度,必須針對不同工序設計專用夾具,以滿足其加工精度要求。采用數控加工和專用刀夾,圖2 數控車床用夾具圖3 刀夾結構圖4 鉗工用鉆φ 7mm孔夾具把多道普車加工工序合并成一道數控車工序,提高了加工效率,降低了勞動強度,提高了經濟效益。