摘要:對于螺桿、閥桿與銷軸類零件,設計合理的工裝夾具,實現多件加工,以滿足批量高效生產的需要。

隨著科技的進步,機械加工設備不斷被優化改進,其加工能力、加工精度不斷提高,機械加工工藝也隨之向著高效精準的方向邁進,繁雜的工藝步驟逐漸被優化減少,零件的機械加工時間不斷縮短,生產效率大幅度提高。但對于一些加工工藝簡單的零件,按照傳統加工方法單件加工,其主要工序加工時間遠遠小于工件的裝夾時間、刀具更換時間等輔助時間,生產效率低、勞動強度大。而設計合理的工裝夾具可實現多件或小批量生產,既減輕了工人的勞動強度,又大大縮短了輔助時間,在保證產品質量的同時提高了生產效率。
工裝夾具設計的合理與否直接影響到工件的質量、生產效率和加工成本等。在實際生產中,工裝夾具的設計主要依據加工工藝方案和操作人員的經驗,應盡量減少裝夾次數、降低換刀頻率,一次裝夾完成多道工序,節約輔助時間,提高生產效率。設計工裝夾具時,在保證車床加工精度的同時,應本著結構合理、成本低廉及便于安裝拆卸的原則。
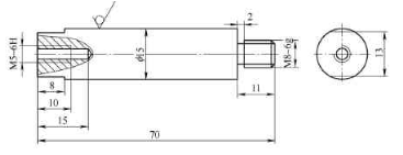
螺桿如圖1所示,其加工工藝簡單,且主要加工部位集中在兩端(中間外表面不加工,最后噴涂防腐漆)。傳統加工工藝銑兩側平面時,在三爪自定心卡盤上每次只能裝夾一件,裝夾輔助時間長,生產效率低。而螺桿的生產量大、工期短,單件加工可能會延誤工期。設計專用工裝后,一次可裝夾8件,工裝采用8個φ15mm沉孔定位,每兩個孔中心割成通槽,槽寬2mm,形成半開口(見圖2)。工裝采用7A04超硬鋁,強度高。因為螺桿中間的外表面粗糙度要求不高,裝好工件以后,利用精密臺鉗夾緊力使工裝產生微量彈性變形,夾緊工件,實現多件加工。采用多件裝夾工裝后,一次走刀可銑削4個側面,刀具行程大大減小,生產時間、更換刀具所需時間明顯縮短,生產效率顯著提高。

圖1 螺桿

圖 2
閥桿如圖4所示。傳統的加工方法是在立式加工中心四軸上,用組合夾具一次裝夾一件,進行兩端槽、扁的銑加工。設計專用工裝(見圖5)后,在立式加工中心四軸卡盤上進行多件加工,每次裝夾4件,完成銑槽、扁工序。工裝采用四個V形槽作效率提高近3倍。
因精密臺鉗鉗口高度有限,若螺桿長度>80mm,采用上述工裝將無法借助精密臺鉗的夾緊力固定工件,因此,根據年生產量設計長螺桿專用工裝夾具(見圖3),該工裝同樣采用與螺桿直徑相同的8個定位孔進行定位,8個定位孔下面分別銑出排屑槽,便于工裝清理。該工裝每次可裝夾8件,每兩件采用專用壓板夾緊,實現多件加工。采用該工裝后,一次走刀可銑削8個側面,刀具移動行程短,同時輔助裝夾為工件定位基準,每兩件采用專用壓板夾緊實現多件加工,降低換刀頻率,提高生產效率。工裝的一側端面設計成六方,三爪自定心卡盤夾緊定位時方便找正,且定位可靠。采用多件裝夾工裝后,生產效率提高50%。

圖 3

圖4 閥桿

圖 5
以往加工類似工件用組合夾具V形塊進行加工,一般一次加工2件,輔助時間長,換刀頻繁,影響加工效率。設計專用工裝(見圖6)后,采用8個V形槽作為定位基準,一個通體定位面作為長度方向定位基準,每次裝夾8件,每兩件用一個壓板壓緊,實現多件加工。該裝夾方法為銷軸提供了輔助支撐,可有效減小內應力變形。該工裝在銷軸類零件加工中具有通用性,可用于φ18~φ25mm的銷軸定位,操作簡單,裝夾效率比改進前提高了近75%,總生產效率提高了約35%,每年加工此類零件近2萬件, 經濟效益十分可觀。
針對螺桿、閥桿及銷軸類零件鉆孔、銑方、攻螺紋及倒角等加工過程中存在的換刀頻率高、機床移動行程長、頻繁裝卸工件輔助時間增加及生產效率低等問題,研制多件裝夾工裝,變單件加工為多件加工,在保證質量的前提下,既降低了勞動強度,又提高了生產效率。多件裝夾工裝廣泛應用于生產中,經濟效益顯著。

圖 6