一、密封機理
SF6氣體通過密封環節滲到產品殼體外部的現象稱為泄漏。泄漏分為兩種:穿透O形橡膠密封圈的泄漏和通過密封接觸面的泄漏。前者與橡膠材質有關,其泄漏量與后者相比,通常很小。而造成接觸面的泄漏的原因,一是接觸面有間隙,二是密封圈兩側有壓差。
O形密封圈借助壓緊變形后的橡膠彈力F使密封圈和密封面互相靠緊,而產品內的SF6氣壓P0在密封圈作用力F0, F0分解后在密封圈上形成一個與密封面垂直的法向力F0’,此力使密封面和密封圈分離,F與F0’的合力稱為密封力。由于溫度變化,F值常隨溫度下降而變小,由于密封面表面狀況的非均勻性,或者密封圈壓縮量設計的不合理,都可能導致在常溫或低溫時在密封圈某點或某段出現密封力為零甚至小于零,而導致密封圈與密封面在微觀上分離,出現SF6泄漏。

二、影響密封泄漏量的因素
密封圈壓縮率的 影響
減小O形圈與法蘭分離間隙和增大O形圈與法蘭接觸環面寬是減小泄漏的最重要的因素。當壓差P0一定時,增大密封圈的壓縮率(即增大彈性力F)就能減小分離間隙,直至間隙為零。但是,密封圈的壓縮率不能太大,否則會造成壓縮永久變形,使密封圈使用壽命下降。
合理的O形圈壓縮率
密封面材質 | 壓縮率(%) | |
靜密封 | 金屬-金屬法蘭 | 25 |
瓷件-金屬法蘭 | 30 | |
動密封 | 金屬軸-金屬套 |
密封面表面粗糙度的影響
早期設計曾流行“越光越好”的概念,因此密封面車好后再滾擠壓加工,以獲得近于鏡面的效果。后試驗結果反復證實,用車(鏜)刀加工的密封面上,刀痕形成的同心圓,在合適的表面粗糙度(3.2-6.3)范圍內對氣密性有利。
如圖(a)所示,密封面太光,得不到同心圓刀紋的“阻力”作用,氣密性不令人滿意。
如圖(b)所示,在表面粗糙度3.2-6.3范圍內,橡膠圈與密封面彌合良好,同心圓刀紋增大了SF6泄漏通道的距離,即O形圈與法蘭接觸環面寬增大,泄漏量變小。
如圖(c)所示,表面粗糙度超過12.5時,O形圈與密封面接觸不良,易漏氣。

密封槽形的影響
密封槽一般取矩形,當矩形槽布置很困難時,也可用三角形槽。法蘭密封面因切削加工平面度的影響或焊接變形的影響,裝配好后的兩法蘭面間在微觀上總存在一定的間隙,在氣壓P0的作用下,橡膠圈可能被擠入該縫隙,在密封槽內、外圓的上棱倒圓角,可保護密封圈不被夾角剪壞,密封槽的下圓也倒圓角,可以減輕密封圈在氣壓作用下過分擠入槽根產生永久變形的可能性。

槽寬應大于O形圈線徑,并且密封槽截面積應不小于O形圈截面積,使槽留有足夠的空間,O形圈裝好后,只產生變形而不出現體積壓縮,也就是使O形圈的受壓側與密封槽非密封面側保持一定的間隙。密封圈在工作時如果出現體積壓縮,就會明顯增大壓縮永久變形,縮短使用壽命。

密封圈材質的影響
兩個主要的橡膠性能:
1.橡膠硬度應適中(70左右)。硬度不宜太高,否則密封圈和密封面之間很難獲得良好的彌合性。硬度也不宜太低,否則接觸壓力(密封力)不足,也不能獲得良好的密封性能。
2.壓縮永久變形。要求在使用的溫度范圍內其壓變低于20%,并有良好的密封性能
生產管理水平的影響
主要體現在以下幾個方面:
1.原材料:按技術要求控制質量,妥善保管,謹防變質。
2.加工:嚴格執行圖紙和工藝規程要求,按圖按工藝檢驗。
3.保管:包裝規范,謹防碰撞劃傷和雨水侵蝕。
4.組裝:發現密封面損傷件拒裝。仔細清理,確保產品清潔度,按圖按工藝要求裝配。
三、靜密封設計
O形密封圈外徑和線徑的配合
根據使用經驗,O形圈直徑和線徑的配合見下表:
O形密封圈線徑(mm) | O形密封圈外徑可選范圍(mm) | O形密封圈線徑(mm) | O形密封圈外徑可選范圍(mm) |
1.9 | <14 | 5.7 | 60~300 |
2.4 | 16~26 | 8.4 | 200~600 |
3.5 | 28~56 | 10 | 600~1500 |
密封圈材質的選用
丁腈橡膠密封圈:適用于油系介質中適用。是目前用途最廣、成本最低的橡膠密封件。耐磨損能力強,不適用于極性溶劑中。
硅橡膠密封圈:具有極佳的耐熱、耐寒、耐臭氧、耐老化性能,有很好的絕緣性能。但抗拉強度差且不具耐油性。適用于家用電器的密封需求。
氟橡膠密封圈:有極佳的耐高溫性、耐臭氧性、和耐化學性,耐寒性不良。適用于柴油發動機、燃料系統及化工廠的密封需求。
天然橡膠密封圈:具有很好的耐磨性、彈性、扯斷強度及伸長率。但在空氣中易老化,在礦物油或汽油中易膨脹和溶解,耐堿但不耐強酸。適用于在汽車剎車系統或有氫氧根離子的液體中適用。
三元乙丙橡膠密封圈:具有很好的耐老化性、耐腐蝕性、耐熱性、電絕緣性能優異、彈性好,但不耐油。廣泛應用在GIS設備密封系統中。
密封圈技術要求
1.無氣泡、缺料、劃傷。
2.密封圈模具表面粗糙度不低于0.8
3.修凈合模飛邊,不允許劃傷工作表面
4.橡膠硬度要求:低壓16MPa以下邵氏硬度70左右,中壓16-32MPa邵氏硬度80左右,高壓32MPa 以上邵氏硬度90左右
密封槽設計
壓縮率K值一般取18%~25%,以保證有足夠的壓縮量。當O形圈線徑d較小時應取較大的K值,較大時應取較小的K值。
K=(d-h)/d
壓縮率過大,會使密封圈產生永久變形,促使老化,縮短使用壽命;壓縮率過小,初始接觸壓力太小,容易造成泄漏。因此必須控制O形圈線徑和槽溝深度h的公差,以便控制最大、最小的壓縮率。
Kmax=(dmax-hmin)/d≤30%
Kmin =(dmin-hmax)/d≥10%

槽寬b:根據密封原理,密封圈受壓時必須有足夠的形變空間,以保證較長時間的密封性能。因此密封槽的截面積一定要大于或等于O形圈的截面積。
即b*h≥(πd2)/4 一般取b=(1.3~1.5)d
槽內外徑:橡膠密封件在工作狀態時應處于壓縮狀態,若處于拉伸狀態,會加速橡膠老化,縮短使用壽命。因此在設計槽溝內外徑時應按下列原則
1.當密封圈內的壓力高于外壓力時,槽外徑D=O形圈外徑
2.當密封圈內的壓力低于外壓力時,槽內徑d=O形圈內徑
常規密封槽尺寸設計參考表
O形圈線徑d | b | h | R | r |
1.9 | 2.5+0.10 | 1.4+0.050 | ≤0.2 | ≤0.1 |
2.4 | 3.2+0.150 | 1.8+0.050 | ≤0.2 | ≤0.1 |
3.5 | 4.5+0.150 | 2.6+0.10 | ≤0.2 | ≤0.1 |
5.7 | 7.5+0.20 | 4.2+0.10 | ≤0.4 | ≤0.2 |
8.4 | 11+0.20 | 6.3+0.10 | ≤0.4 | ≤0.2 |
10 | 13.2+0.250 | 7.4+0.10 | ≤0.4 | ≤0.2 |
四、動密封設計
骨架油封密封系統
(1)在油封系統中廣泛使用的骨架油封,是一種唇形橡膠圈,內設金屬骨架,有彈簧箍緊膠圈內圓唇邊,動態密封良好。
(2)它的主要特點是:結構簡單,尺寸不大,一圈一密封線(唇邊線)多圈重疊使用,密封可靠。
(3)一圈帶箍緊彈簧的唇邊朝向產品內側,一圈唇邊朝向大氣側。唇邊朝外的一圈在產品抽真空時發揮重要的密封作用。由于箍緊彈簧的作用,此圈在產品工作時對內部SF6也有氣密性功能。
(4)主要用于轉動密封。

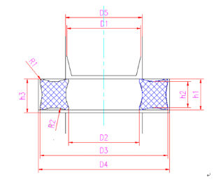
X形動密封圈設計
(1)結構簡單
(2)密封可靠
(3)動摩擦阻力小
(4)主要用于直動密封和轉動密封

設計計算方法

先按上表選定軸徑D1及X密封圈高h1,然后按以下公式計算其他值:
X圈內徑D2=D1-2fh1(壓縮率f也按上表選?。?/span>
X圈外徑D3=D2+2h1
X圈斷面尺寸、按上表選取
密封槽內徑D5=D1+0.4
密封槽外徑D4=D3-0.3
密封槽寬h3按上表選取
公差設計D1-0.05 D2+0.15-0.15 D3+0.2 D4+0.08 D5+0.08
密封槽表面粗糙度3.2
密封圈橡膠硬度75

其他常用動密封結構
磁流體動密封:在磁性流體技術的基礎上發展而來的,當磁流體注入磁場的間隙時,它可以充滿整個間隙,形成一種“液體的O形密封圈”。
波紋管密封:利用波紋管能壓縮能拉伸具有拉壓彈性的特點,使波紋管一端與移動端相連,另一端與固定不動端相連,構成運動付。
