氣動機械手作為機械手的一種,具有結構簡單、重量輕、動作迅速、工作可靠、節能和環保等優點而被廣泛應用。氣動安裝機械手主要用于完成以下功能:選擇要安裝的小工件,從料倉中推出來,并用吸盤吸住安裝到大工件中。
1 氣動安裝機械手的結構和工作原理
氣動安裝機械手的結構示意如圖1 所示。系統主要組成部分有:上料模塊和安裝模塊。上料模塊主要由2 個圓桶料倉、推料裝置、料倉平移氣缸和支架組成。上料模塊主要用于依次將2 個料倉中的工件2 推放到吸料工作臺上,等待吸盤機械手取料。在兩個氣缸的兩端都安裝有磁性開關,分別用于判斷兩個氣缸運動的極限位置。推料氣缸和平移氣缸的配合靠延時來實現。安裝模塊主要由真空發生器、吸盤、機械手、翻轉氣缸和翻轉裝置等組成。真空吸盤用于抓取工件2。吸盤內腔的負壓(真空)是靠真空發生器產生的。安裝模塊工作過程:吸料→機械手向前翻轉→安裝(放料)→機械手向后翻轉。

圖1 氣動安裝機械手的結構示意圖
2 氣動控制系統設計
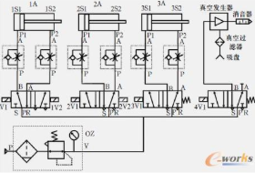
氣動安裝機械手的氣動控制回路如圖2 所示。氣動系統由氣源、氣動三聯件OZ、電磁閥、節流閥、真空發生器和各種氣缸組成。氣源工作壓力:最小6bar,最大8bar。翻轉、平移換向閥采用二位五通雙電控電磁閥,推料、吸料電磁閥采用二位五通單電控電磁閥。電磁閥均選用AIRTAC 公司型號為4V110-M5 的產品。氣缸選用SMC 公司的產品,翻轉氣缸1A選用CDM2B20-45 型, 平移氣缸2A 選用CDJ2B16-60-B 型,推料氣缸3A 選用CDJ2B10-60-B 型。為了使各執行元件運動平穩,各氣缸2個氣口裝有單向節流閥。翻轉前限/ 后限、平移左限/ 右限、推料伸限/ 收限的行程位置用氣缸開關檢測,氣缸開關選用SMC 公司的D-C73 產品。真空發生器選用SMC 公司的ZU07L 型。

圖2 氣動控制回路
3 電氣控制系統設計
3.1 PLC選型與I/O接口分配
PLC 是氣動安裝機械手的核心控制器。根據控制要求分析,PLC 的輸入信號有:起停控制信號3 個,位置檢測信號6 個,聯絡信號2 個,共11 個開關量輸入信號;輸出信號有:電磁閥控制信號6 個,與前站的聯絡信號各1 個,共7 個開關量輸出信號。輸入輸出信號的具體作用和地址分配如表1 所示。繼電器和電磁閥的線圈均為DC24V。選用三菱FX2N-48MR 型PLC,24 點直流輸入,24 點繼電器型輸出,并向外提供24V 直流電源,完全可以滿足控制要求。

氣動安裝機械手接受的通訊信號有兩個:一個是大工件1 放好在安裝平臺上,安裝機械手接受到的安裝請求信號4C5A;一個是安裝好的工件從安裝平臺被取走后,安裝機械手接受到的搬取結束信號4C5B,用于實現安裝機械手復位。氣動安裝機械手的通訊輸出信號通過中間繼電器來實現隔離。繼電器K1 用來傳送氣動安裝機械手安裝完畢、允許其他機械搬取工件的信號。
3.2 PLC控制程序
1)控制功能要求氣動安裝機械手控制系統分為單站控制、聯絡控制和停止控制三種控制功能。單站控制。初始時吸盤下有工件2,推料氣缸、翻轉氣缸處于收回狀態,平移動氣缸可以在左或右位置。按下單站起動按鈕SB1,安裝模塊完成依次完成如下動作:吸盤吸料→翻轉氣缸向前翻轉→工件2 被搬運到安裝工作臺→吸盤放料→延時→機械手向后翻轉。工件2 被吸取走后,上料模塊主要完成以下動作:推料和更換料倉。推料完畢后,吸盤機械手才能向后翻轉,回到原位。如果沒有停止信號,氣動安裝機械手按照以上過程循環進行。此時,要注意安裝工作臺的工件要及時取走,否則容易損壞機械。聯絡控制。當工件1 被放置在安裝工作臺且安裝搬運機械手離開后,氣動安裝機械手位于初始狀態時,按下聯絡按鈕SB2,氣動安裝機械手按照單站控制方式下的要求,完成一次工件2 的上料和安裝任務。如果沒有停止信號,氣動安裝機械手在下一個工件1 放置好后,自動進入下一工作周期。
停止控制。任何時候按下停止按鈕SB3,控制系統在完成當前工作周期后停止工作。
2)工藝流程
按照上述控制要求,繪制氣動安裝機械手的工藝流程如圖3 所示。氣動安裝機械手的控制流程比較復雜。起動系統,進入安裝等待步;單站方式或聯絡方式下有安裝請求信號來后,吸料,吸料機械手向前翻轉。放料控制和上料控制分支流程同時進行。上料控制分支流程又有左料倉上料和右料倉上料兩種選擇。上料完畢,吸料機械手向后翻轉,此時氣動安裝機械手的機械返回到了原點。

圖3 安裝機械手PLC控制工藝流程圖
為了能使程序流程不出錯,必須使程序的步進狀態也要正確地返回原點。在S27 步,發送安裝完畢信號后,用第4 站的聯絡信號——搬取結束信號4C5B 作為程序步進狀態返回原點的轉換條件。
PLC 的程序用步進指令編程實現,控制程序分為:安裝等待、吸料、機械手前翻、安裝、安裝結束等待、推料、料倉判斷、料倉左移或右移、上料結束等待、機械手后翻、發送聯絡信號及復位等待,加上初始步共13 步動作。單站控制方式和聯絡控制方式的程序共用。在安裝等待步,如果是單站工作方式,則延時后進入下一步,如果是聯絡工作方式,則等待安裝請求信號,信號有效時,才進入下一步。為了避免兩種控制方式沖突,在步進控制程序外的控制方式選擇程序中,需設置兩種控制方式的互鎖。
4 結束語
氣動安裝機械手是較復雜的一個控制系統,主要體現在它的機械動作復雜,電氣控制聯鎖關系較多。采用PLC 對氣動安裝機械手進行自動控制,既解決了本系統上料模塊和安裝模塊、推料氣缸和平移氣缸之間的互鎖關系,也解決了本系統與其他機械單元之間的協同作業,很好地實現了氣動安裝機械手的上料、吸料、安裝和聯絡等功能。控制系統經過運行調試,設備動作順暢、性能穩定、可靠性高。