
一、什么叫外圓磨
外圓磨床分為普通外圓磨床和萬能外圓磨床,在普通外圓磨床上可磨削工件的外圓柱面和外圓錐面以及臺階軸端面等,在萬能外圓磨床上還能磨削內圓柱面和內圓錐面和端面。外圓磨床的主參數為最大磨削直徑。
外圓磨床以兩頂心為中心,以砂輪為刀具,將圓柱型鋼件研磨出精密同心度的磨床(又叫頂心磨床或圓筒磨床)。
二、外圓磨床的特點
1、砂輪主軸軸承采用錐形成型油楔動壓軸承、砂輪主軸在低速是仍具有高的軸承剛度。
2、砂輪架導軌采用交叉滾柱剛導軌,半自動進給機構采用回轉式油缸實現。
3、尾架軸系具有無間隙剛度的特點,電器箱,液壓箱冷卻箱與機床分離。
4、富有磨削指示儀及冷卻液過濾器。
5、頭架速度才有那個交流變頻無級調速。
6、電氣采用可編程序控制器(pc),具有自診斷功能、維修十分方便
7、可選配自動測量儀。
三、外圓磨床的用途
外圓磨床主要用于成批軸類零件的端面、外圓及圓錐面的精密磨削,是汽車發動機等行業的主要設備。也適用于軍工、航天、一般精密機械加工車間批量小,精度要求高的軸類零件加工。
⑴用于紡織紡紗行業,粗細紗機,并條機,精梳機,加彈機等上皮輥加工。
⑵用于生產制造辦公通訊設備行業,傳真機,復印機,打印機,刻字機等上膠輥加工。
⑶適用于印刷,食品,醫藥行業自動輸送裝置上皮輥,塑料加工。
四、外圓磨床加工精度的影響
1:磨頭、頭架、尾座的等高度對工件尺寸精度的影響。磨頭、頭架、尾座的等高度誤差將使頭架、尾座中心連線與砂輪主軸軸線在空間發生偏移,此時磨出的工件表面將是一個雙曲面。
2:頭架、尾座中心連線對磨頭主軸軸線在水平面內的平行度誤差對工件尺寸精度的影響。當發生該項誤差時,外圓磨床磨出的工件外形將是一個錐體,即砂輪成角度磨削,表面有螺旋形磨紋。
3:磨頭移動相對于機床導軌垂直度誤差對加工精度的影響。這項誤差的最終結果是使主軸軸線與頭架、尾座中心連線發生偏移,在磨軸肩端面時,將造成軸肩端面與工件軸線的垂直度.
五、外圓磨床結構
下圖是M1432A型萬能外圓磨床的外形圖。M1432A編號的意義是:M—磨床類;1—外圓磨床組;4—萬能外圓磨床的系別代號;32—最大磨削直徑的1/10,機最大磨削直徑為320mm;A—在性能和結構上作過一次重大改進。
M1432A型萬能外圓磨床外觀圖
1—床身 2—頭架 3—工作臺 4—內圓磨具
5—砂輪架 6—滑鞍 7—尾座 8—腳踏操縱板 9—橫向進給手輪
1.磨床的主要部件
(1)床身床身1是磨床的基礎支承件,在它的上面裝有砂輪架5、工作臺3、頭架2、尾座7及橫向滑鞍等部件,使這些部件在工作時保持準確的相對位置。床身內部用作液壓油的油池。
(2)頭架頭架2用于安裝及夾持工件,并帶動工件旋轉,頭架在水平面內可逆時針方向轉 90°。
(3)內圓磨具內圓磨具4用于支承磨內孔的砂輪主軸,內圓磨具主軸由單獨的電動機驅動。
(4)砂輪架砂輪架5用于支承并傳動高速旋轉的砂輪主軸。砂輪架裝在滑鞍6上,當需磨削短圓錐面時,砂輪架可以在水平面內調整至一定角度位置(±30°)。
(5)尾座尾座7和頭架2的頂尖一起支承工件。
(6)滑鞍及橫向進給機構轉動橫向進給手輪9,可以使橫向進給機構帶動滑鞍6及其上的砂輪架作橫向進給運動。
(7)工作臺工作臺3由上下兩層組成。上工作臺可繞下工作臺的水平面內回轉一個角度(±10°),用以磨削錐度不大的長圓錐面。上工作臺的上面裝有頭架2和尾座7,它們可隨著工作臺一起,沿床身導軌作縱向往復運動。
2.機床的用途
下面給舉例示范:M1432A型機床是普通精度級萬能外圓磨床,經濟精度為IT6~IT7級,加工表面的表面粗糙度值Ra可控制在1.25~0.08μm范圍內。萬能磨床可用于內外圓柱表面、內外圓錐表面的精加工,雖然生產率較低,但由于其通用性較好,被廣泛用于單件小批生產車間、工具車間和機修車間。
六、常見外圓磨削方法
1.磨削外圓
工件的外圓一般在普通外圓磨床或萬能外圓磨床上磨削。外圓磨削一般有縱磨、橫磨和深磨三種方式。
外圓的磨削
(1)縱磨法如上圖所示,縱磨法磨削外圓時,砂輪的高速旋轉為主運動no,工件作圓周進給運動的同時,還隨工作臺作縱向往復運動,實現沿工件軸向進給fa。每單次行程或每往復行程終了時,砂輪作周期性的橫向移動,實現沿工件徑向的進給fr,從而逐漸磨去工件徑向的全部留磨余量。磨削到尺寸后,進行無橫向進給的光磨過程,直至火花消失為止。由于縱磨法每次的徑向進給量fr少,磨削力小,散熱條件好,充分提高了工件的磨削精度和表面質量,能滿足較高的加工質量要求,但磨削效率較低。磨具磨床磨削縱磨法磨削外圓適合磨削較大的工件,是單件、小批量生產的常用方法。
下表縱磨法的特點
(2)橫磨法如圖所示,采用橫磨法磨削外圓時,砂輪寬度比工件的磨削寬度大,工件不需作縱向(工件軸向)進給運動,砂輪以緩慢的速度連續地或斷續地沿作橫向進給運動,實現對工件的徑向進給fr,直至磨削達到尺寸要求。
其特點是:充分發揮了砂輪的切削能力,磨削效率高,同時也適用于成形磨削。然而,在磨削過程中砂輪與工件接觸面積大,使得磨削力增大,工件易發生變形和燒傷。
另外,砂輪形狀誤差直接影響工件幾何形狀精度,磨削精度較低,表面粗糙度值較大。因而必須使用功率大,剛性好的磨床,磨削的同時必須給予充分的切削液以達到降溫的目的。使用橫磨法,要求工藝系統剛性要好,工件宜短不宜長。短階梯軸軸頸的精磨工序,通常采用這種磨削方法。
如表 橫磨法的特點
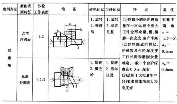
(3)深磨法如圖1所示,深磨法是一種比較先進的方法,生產率高,磨削余量一般為0.1~0.35mm.用這種方法可一次走刀將整個余量磨完。磨削時,進給量較小,一般取縱進給量為1~2 mm/r, 約為“縱磨法”的15%,加工工時約為縱磨法的30~75%。 如表深磨法的特點
2.磨削端面
在萬能外圓磨床上,可利用砂輪的端面來磨削工件的臺肩面和端平面。磨削開始前,應該讓砂輪端面緩慢地靠攏工件的待磨端面,磨削過程中,要求工件的軸向進給量fa也應很小。這是因為砂輪端面的剛性很差,基本上不能承受較大的軸向力,所以,最好的辦法是使用砂輪的外圓錐面來磨削工件的端面,此時,工作臺應該扳動一較大角度。
3.磨削內圓
利用外圓磨床的內圓磨具可磨削工件的內圓。磨削內圓時,工件大多數是以外圓或端面作為定位基準,裝夾在卡盤上進行磨削(見圖),磨內圓錐面時只需將內圓磨具偏轉一個圓周角即可。
上圖 內圓的磨削 與外圓磨削不同,內圓磨削時,砂輪的直徑受到工件孔徑的限制,一般較小,故砂輪磨損較快,需經常修整和更換。內圓磨使用的砂輪要比外圓磨使用的砂輪軟些,這是因為內圓磨時砂輪和工件接觸的面積較大。另外,砂輪軸直徑比較小,懸伸長度較大,剛性很差,故磨削深度不能大,而降低了生產率。
七、常見外圓磨削疑難問題解析
1、外圓磨床在磨削時工件容易彎曲
解析原因:
1.在外圓磨削時磨削量太大;
2.在外圓磨床磨削時,切削液供給不充分;
預防措施:
1.適當的減少外圓磨床的背吃刀量;
2.保證切削液供給充足;
2、軸肩旁外圓尺寸較大
解析原因:
1.外圓磨床換向工作臺停留時間太短;
2.外圓磨床砂輪磨損、砂輪外角變圓。
預防措施:
1.延長外圓磨床工作臺換向的停留時間。
2.要及時修正數控外圓磨床的砂輪,保證工件磨削的精度。
3、工件兩端尺寸較大呈鞍型
解析原因:
1.外圓磨床的砂輪余越出工件端面太少;
2.外圓磨床工作臺停留時間太短;
3.磨細長軸時,頂尖頂的太緊;
4.外圓磨床的中心架水平撐塊壓力太大;
預防措施:
1.正確調整外圓磨床工作臺上換向撞塊位置,使外圓磨床砂輪越出端面為1/3-1/2的砂輪寬度。
2.正切調整外圓磨床工作臺停留時間;
3.調整外圓磨床頂尖壓力。
4.正確調整外圓磨床中心架水平撐塊位置。