球面和截球面的磨削加工,看似挺復雜,但只要根據球面成形原理,通過計算和選擇相應的磨削工藝條件,即可磨好各種球面工件。
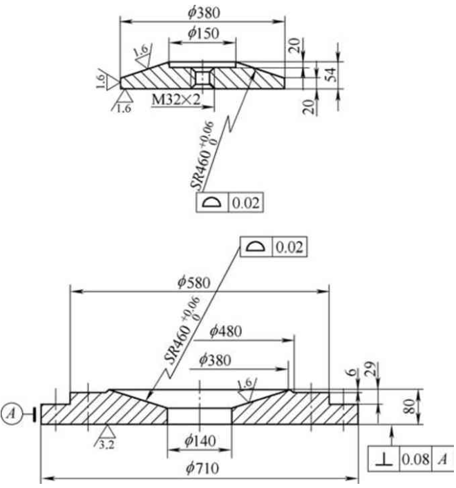
圖1所示為SR460mm大直徑球面副工件,外球面的材料為40Cr合金鋼,淬火后的硬度為52~56HRC;內球面的材料為HT200灰鑄鐵。工件球面配合精度要求較高。
(1)磨削條件的選擇與工藝計算。磨床為立磨頭并在垂直方向能扳轉角度的導軌磨床或其他磨床,夾具為能裝夾工件并能自動旋轉的回轉工作臺(見圖2)。選用砂輪特性為WAF36J6V、直徑為150mm的碗形砂輪。外球面用樣板檢測球面的輪廓度;磨內球面時,用紅丹粉和外球面工件配測接觸面積的狀況,要求達到75%以上。
計算砂輪主軸中心線與工件中心線的夾角α,如圖3所示。在△AOB中,sin(α1/2)=AB/(2R)=150/920=0.163,α1/2=9°23′。在△BOC中,sin(α2/2)=BC/(2R)=140/920=0.152,α2/2=8°45′。則α=α1/2+α2/2=9°23′+8°45′=18°8′。

圖1 大直徑球面副工件

圖2 回轉工作臺與工件的安裝
1.工作臺 2.回轉工作臺 3.工件 4、5.齒輪 6.減速箱 7.電動機

圖3 計算α角示意圖
(2)磨削球面。把外球面工件安裝在回轉工作臺上,找正工件中心與回轉工作臺中心同軸。再把立磨頭主軸中心線順時針扳轉18°8′。然后把砂輪中心調整到工件中心右側垂直平面內,并移動縱向工作臺,使砂輪圓周端面與工件右側球面接觸,開始試磨。如果出現單向磨削弧狀紋理,就說明砂輪和工件在垂直面內未對正中心,應調整砂輪架橫向位置,使之達到交叉網紋,這時砂輪橫向位置就正確了。球面磨光后,用樣板檢測球面輪廓度,這時可能出現3種情況:①工件外圓處有間隙,說明球面半徑R小了,這時應向左移動縱向工作臺,予以消除。②工件內圓處有間隙,說明球面半徑R大了,這時應向右移動縱向工作臺,予以消除。③樣板與球面全接觸,說明外球面的輪廓度正確合格。這時只需垂直進刀把工件球面磨好。
磨內球面時,同樣把工件安裝在回轉工作臺上,只移動縱向工作臺,使砂輪端面與工件左側內球面接觸,開始試磨,用外球面工件進行檢測配磨,檢查其接觸面積。當發現有間隙的情況時,縱向工作臺的調整方向與磨外球面相反。經過調整縱向工作臺反復垂直吃刀配磨,直到用紅丹粉涂色和用外球面工件檢查,使接觸面積達到70%以上為止。
如果工件是多件,在第一件磨好后,只做垂直退刀,卸下工件,安裝第二件,再做垂直吃刀即可,磨床縱、橫向工作臺不必再調整。
圖4所示為球面軸承,材料為40Cr,淬火后的硬度為58HRC,磨好端面和內孔后,需要磨削外球面。磨削外球面時,選用特性為WAF60K6V的杯形或碗形砂輪,砂輪工作內徑DK≥50mm。為了便于裝夾工件,做一個以工件內孔和端面定位的心軸,心軸的一端為莫氏錐柄,以便于插裝在萬能外圓磨床頭架主軸錐孔內。
磨球面時,把工件裝在心軸上,并插裝在磨床頭架主軸錐孔內,然后把頭架逆時針扳轉90°。把杯形或碗形砂輪裝在內圓磨具砂輪軸上,并對砂輪端面和內孔進行修整,使其徑向和端跳動減小。移動磨床砂輪輪架,使其砂輪旋轉中心(橫向)對正工件球面中心,縱向移動縱向工作臺,對球面進行試磨。觀察球面磨削紋理,最好出現網狀交叉紋理,這就說明砂輪旋轉中心與球面中心在橫向對正了。否則就得調整(微調)砂輪架橫向位置予以消除單向弧形紋。砂輪橫向對正中心后,就可正式用移動縱向工作臺進行吃刀磨削球面了。在磨削過程中,用外徑千分尺測量球徑尺寸,如有余量,繼續用移動縱向工作臺吃刀,直到使球面直徑達到要求為止。
外球面的磨削方法,一是用成形砂輪磨削,此方法操作簡便、生產效率高,但修整成形砂輪麻煩,由于砂輪磨損,工件質量難以保證。二是用杯形砂輪在萬能外圓磨床或內圓磨床進行磨削,它是利用砂輪和工件軸線斜交并回轉來磨削的,這種方法不需要特殊設備和砂輪成形修整工具,即使砂輪磨損了,對球面也沒有什么影響。
采用后一種方法磨削時,需要計算杯形砂輪內徑DK和磨床頭架扳轉的角度α,如圖5所示。
(1)計算杯形砂輪內徑DK。計算公式為

式中,DK為杯形砂輪內徑(mm);D為球面直徑;K為大于或小于半圓的數值,當工件球面大于半圓時K為正值,小于半圓時K為負值,等于半圓時K為0。
(2)由sinα=DK/D,計算頭架扳轉的角度α。
需要注意的是:調整機床時,必須使砂輪旋轉中心線與球面中心相交于O點,這時在球面上的磨削紋理為交叉網紋,否則就會出現單向弧狀紋。即中心線未相交于球面中心O點,應調整砂輪架的橫向位置。采用縱向工作臺移動吃刀,千萬不要橫向吃刀。這種磨削方法對砂輪內徑尺寸DK 要求不嚴格。
內球面的磨削方法與外球面的磨削方法和相關計算公式相同,機床調整方法也一樣,就是磨床頭架扳轉的方向相反。磨削時采用的砂輪形狀為平行砂輪,如圖6所示。

圖4 球面軸承

圖5 磨削外球面

圖6 磨削內球面
根據球面成形原理,除在各種磨床上增加附加工裝磨削外,還可以在臥、立式車床、銑床上進行磨削直徑不同規格的球面,這是被實踐證明可行的。