針對鏈輪軸零件加工過程中出現的問題,對加工方案進行改進,采用組合加工的方法,降低了加工難度和加工成本,達到了零件的尺寸和精度要求,提高了加工效率。

軸的主要功用是支承傳動件(齒輪、鏈輪和帶輪等)、傳遞轉矩及承受載荷,其主要結構特點是長度大于直徑,一般由同軸心的外圓、圓錐、內孔、螺紋和鍵槽等組成。
1. 零件結構及加工難點分析
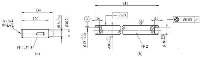
鏈輪軸是我所設備SPL-1200印刷系統中烘干爐鏈輪傳動機構的一種細長軸,材料45鋼,調質(T215)處理。零件直徑30mm,長度1 171mm(見圖1),長徑比39,為細長軸,剛性很差。加工要求兩端的尺寸精度φ 30 0-0.009mm,兩端φ 3 0 m m 外圓的同軸度0.02mm,表面粗糙度Ra=1.6μm。

圖1 鏈輪軸的結構
從鏈輪軸的結構可知,其最大的特點是剛性差,在加工過程中,切削力、切削熱和振動等因素都將影響加工的尺寸精度和形位精度,加工難度大。該零件單臺產品需要18件,若采用常規的加工方法,加工周期長,很難達到加工要求,容易造成零件的報廢,而且影響產品交付周期,增加了加工成本。
2. 加工時存在的問題
在鏈輪軸試制時, 采用常規加工方法, 其加工工藝過程為:①下料。45鋼,毛坯尺寸φ 35mm×1 180mm。②熱處理。材料調質處理。受熱處理工藝限制,調質處理外部協作完成。③車。除兩端φ 30mm外圓留磨量外,其余各處車到尺寸。④銑。銑兩端鍵槽。⑤ 車。修研兩端中心孔。⑥ 外圓磨。頂磨兩端φ 30mm外圓達圖樣尺寸要求。⑦表面處理。黑色氧化處理。
由于鏈輪軸為細長軸, 零件剛性差,結構工藝性不好,車削時受切削力、裝夾力、自身重力、切削熱以及振動等因素的影響,加工時會出現以下問題:
(1)切削時產生的徑向切削力與裝夾徑向分力的合力會使工件彎曲,工件旋轉時引起振動,從而影響加工精度和表面質量。
?。?)工件高速旋轉時,由于離心力的作用,加劇了工件的彎曲和振動。
(3)由于工件自重變形而加劇工件的自振,影響加工精度和表面質量。
?。?)鋼調質處理造成毛坯彎曲變形,嚴重影響到后序的車削加工,需進行校直處理,增加了加工成本。
若選用光軸加工,則鏈輪軸加工工藝過程變成:①定購研磨光棒,保證尺寸公差。②車各處空刀、倒角。③銑兩端鍵槽。④表面氧化處理。由于光軸尺寸公差達不到0.009mm要求,并且鍍鉻光軸表面硬度能達到45HRC,造成后序鍵槽加工困難,所以該方法不太理想。
3. 解決方案
針對鏈輪軸在加工過程中出現的問題,根據零件的結構特點和使用要求,考慮采取組合焊接的加工方案。
根據零件的結構特點把零件拆分為3部分,如圖2、圖3所示。圖2為組合焊接圖,圖3為拆分件。將鏈輪軸拆分成3部分組焊而成。中間部分選用45鋼光軸,該部分加工工藝過程為: 定購φ 30mm光棒→車兩端面,車兩端焊接工藝沉孔并倒焊接坡口。

圖2 鏈輪軸組焊圖

圖3 鏈輪軸拆分件
兩 端φ 3 0m m外圓有精度要求,部分選用45鋼毛坯加工而成, 其加工工藝過程為: ①下料。材料4 5 鋼, 毛坯尺寸φ 35mm×195mm。②熱處理。
材料調質處理。③車。車兩端達尺寸要求;鉆中心孔,頂車外圓φ 30mm留磨量;車環槽成尺寸;車出焊接定位工藝把,倒焊接坡口。④銑鍵槽。⑤車。修研兩端中心孔。⑥ 外圓磨。雙頂, 磨φ 30mm外圓達圖樣尺寸要求。
等拆分的各件按圖樣加工完成后,把中間部分和兩端部分組裝在一起,以兩端中心孔為定位基準,在雙頂夾持狀態下,用氬弧焊按圖樣組焊而成(見圖4)。

圖4 鏈輪軸焊接工裝示意圖
1.固定支座 2.前頂尖 3.鏈輪軸 4.后頂尖 5.調節支座 6.焊接平臺
為減少焊接變形,可采用預加熱和分層焊接的方法,在定位工裝上均勻旋轉工件,沿焊口均勻焊接,其工藝過程為:組合焊接→車(修平修光焊縫)→表面氧化處理。焊前要求校直光棒,用氬弧焊連續焊接牢固、可靠,焊完保證兩端φ 30mm同軸度不大于0.04mm,修平焊縫,保護零件表面。
4. 結語
對鏈輪軸的拆分組焊,降低了細長軸的加工難度,比整體車削加工容易,節省了加工時間。
加工完成后檢測零件各處尺寸和精度,能夠達到圖樣要求。通過實際裝配,完全滿足設備的使用要求。改進加工工藝后的鏈輪軸成品如圖5所示。

圖5 成品鏈輪軸
細長軸的車削加工是機械加工中比較常見的一種加工方式。由于細長軸剛性差,車削時產生的應力、受熱變形較大,很難保證加工質量。鏈輪軸的拆分與組焊加工為細長軸的加工提供了一種解決思路,即根據細長軸的實際結構和使用要求,選擇相應材料的光棒和研磨棒(45鋼、304不銹鋼等),采用組合加工的方式來簡化加工工藝,達到細長軸的加工要求。